- 리니어 액추에이터
- CAFL
■ 정밀 포지셔닝 및 레벨 조정
■ 높은 유연성 및 간편한 디자인 통합
■ 안정적이고 견고한 베이스
■ 유지관리 불필요, 오일 누출 없음
■ 자동 잠금
■ 정밀 포지셔닝
■ 수동 오버라이드
■ 설치 단순화
Detail
에벨릭스 CAFL 리니어 액추에이터는 전기 기계식 바닥 잠금 시스템으로 작고, 견고하고 간단한 솔루션을 위한 제품입니다.
에벨릭스 소형 바닥 잠금 액추에이터 CAFL 리니어 액추에이터는 의자, 테이블, 트롤리, 카트를 들어 올리거나 바퀴 달린 장비를 바퀴에서 들어 올린 위치에서 장치를 유지하는 데 사용됩니다. 바닥 잠금장치는 광범위한 산업에서 사용되는 휴대용 장비가 잠긴 상태에서 이동하거나 미끄러지는 것을 방지하게 합니다. 바닥이 고르지 않더라도 장치가 완전히 안정적이고 수평으로 고정되어야 하며, 바닥이 울퉁불퉁해도 진동하지 않는 의료 시술 및 진단 애플리케이션에 사용됩니다. 생산 또는 창고 운영과 같은 기타 응용 프로그램을 사용하여 이동식 작업 벤치, 카트 및 돌리의 장착, 로딩 및 언로딩 작업중 미끄러지지 않도록 합니다.
에벨릭스 전기 선형 액추에이터는 다양한 산업 용도로 능숙하게 제작되어 비즈니스 활동에 향상된 효율성, 정확성 및 의존성을 제공합니다.
CAFL linear actuator solutions
■ 정확한 위치 파악
통합 인코더를 사용하면 각 코너를 동일한 거리에서 들어 올려 환자 테이블, 로봇, 의자, 트롤리, 카트 또는 C 암을 고르게 지원할 수 있다.
■ 통제된 움직임
적용된 장비 시스템을 높이거나 차단하거나 수평으로 유지 여부와 관계없이 CAFL 리니어 액추에이터가 처리한다.
■ Maintenance free
CAFL 리니어 액추에이터는 누유가 없고, 윤활유를 바르거나 주유가 없으며, 사용 기간 내내 유지 보수가 필요하지 않다.
■ 위치 고정
Nonslip 고무바닥 패드는 기기를 안전 고정하기 위해 바닥 그립을 고정하고 잠금 상태에서 이동하거나 밀리는 것을 방지한다.
■ Self-locking
CAFL 리니어 액추에이터는 최대 정적 부하 등급까지 정전 발생 시 위치를 유지한다.

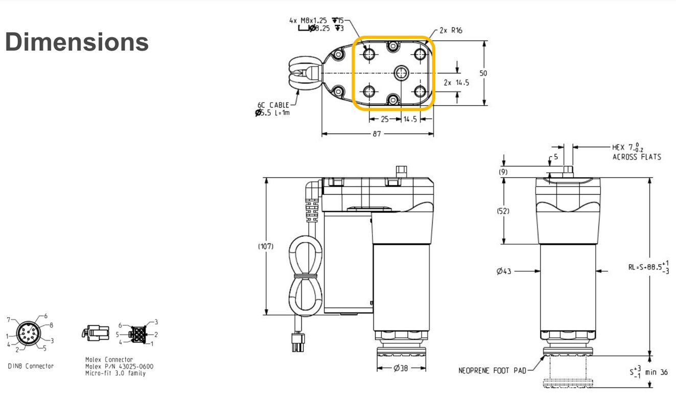
바닥 잠금 장치는 작은 전기 기계 저전압 선형 액추에이터로, 의료용 의자, 테이블, AGV 또는 이동 카트와 같은 모바일 장치를 제자리에 고정하는 데 사용됩니다. 미끄러지지 않는 고무 바닥 패드가 장착된 푸시 튜브가 바닥을 눌러 마찰을 발생시키고 캐스터 휠이 움직이거나 기어가는 것을 방지합니다. 잠금 액추에이터의 확장된 높이는 캐스터의 장착 높이를 초과해야 합니다.
SCU 컨트롤러를 이용하여 4개의 CAFL 전기 바닥 잠금 액추에이터를 제어할 수 있습니다.



