- 전기 실린더
- SEMC
■ Max 600 mm/s와 Max 9.5 m/s2의 고성능 롤러 스크류 구성
■ Fail safe break 및 absolute encoder의 선택적 사용 가능
■ 회전 방지 장치 및 조정 가능한 외부 근접 스위치의 선택적 사용
■ 액추에이터 전체 중량을 낮춘 알루미늄 바디
■ Roller Screw 적용에 따른 크기 대비 큰 출력
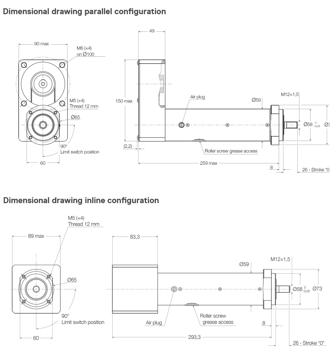
Detail
표준 전기 실린더 제품 범위 외에도 SKF Motion Technologies는 특수 어플리케이션 요구 사항을 충족시킬 수 있는 광범위한 사용자의 요구에 대응하기 위한 제품을 제공합니다.
SEMC 전기 실린더는 SKF 롤러 스크류 기술을 적용한 소형 경량 전기 실린더로 긴 수명, 고속 및 높은 가속도를 제공합니다.
SEMC는 알루미늄 바디로 구성되며, 롤러 스크류 φ15×5 또는 φ15×8 사이즈가 장착되어 모터를 포함한 무게 7kg 미만의 매우 컴팩트한 솔루션을 제공합니다.
SEMC는 작은 설치 공간에 높은 전력 밀도가 필요한 어플리케이션의 문제 해결사입니다.
● 개요
Max Stroke (mm) | 125 mm |
Operating temperature | 0 ℃ ~ 40 ℃ |
Type of protection | IP 54 S |
Max. linear speed no load (mm/s) | 600 mm |
Max. dynamic axial force (N) | 10,000 N (≒1,020kgf) |
Dynamic load capacity (N) | 27,400 N (≒2,795kgf) |
Screw type | Roller screw (φ15×5mm or φ15×8mm) |
Motor type | No motor or Servo motor |
Duty cycle | 100 % |









※ 모터 사양 및 다양한 활용에 따른 구성은 전자카다록을 참고해 주시기 바랍니다.
