- 전기 실린더
- SRSA / SVSA / SLSA
■ Max 500,000N의 축 방향 하중
■ 높은 강성 및 견고성
■ 고 부하, 높은 위치 결정의 정확성
■ 고속이 필요한 광범위한 애플리케이션에 최적의 솔루션
■ Roller screw와 Ball screw의 다양한 선택 가능
Detail
전기 실린더 SRSA는 SKF Motion Technologies 포트폴리오에서 가장 강력한 액추에이터 제품군입니다.
SKF Motion Technologies의 고품질 롤러 스크류가 장착되어 있음으로 인해 극도로 높은 하중과 완벽한 제어를 할 수 있으며 매우 효율적인 직선운동을 수행할 수 있습니다.
하우징은 높은 강성과 견고성을 위해 강철로 제작되어 있으며, 39mm~75mm까지 크기의 넓은범위의 볼 스크류 또는 롤러 스크류로 실린더가 구성되어 있습니다.
Max 500kN의 최대 힘을 가진 SRSA는 높은 하중을 필요로 하는 애플리케이션에서의 전기 실린더 사용이 가능하게 하여, 유압실린더 만의 영역에서도 적용이 가능하도록 하였습니다.
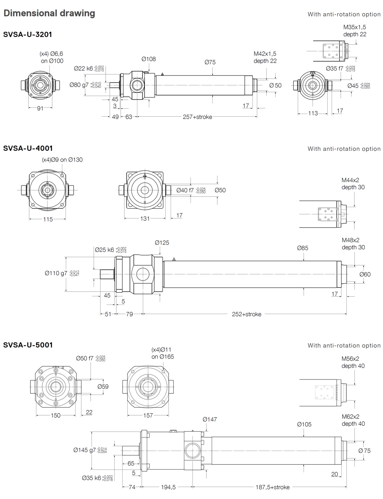
매우 높은 위치 결정 정확도를 위해 SKF Motion Technologies는 고정밀 재순환 롤러 스크류를 사용하여 저속 사양으로 SVSA를 제공합니다. 1mm의 매우 짧은 리드로 인해 미크론까지 미세 조정을 가능하도록 액추에이터를 구현하고 있습니다.
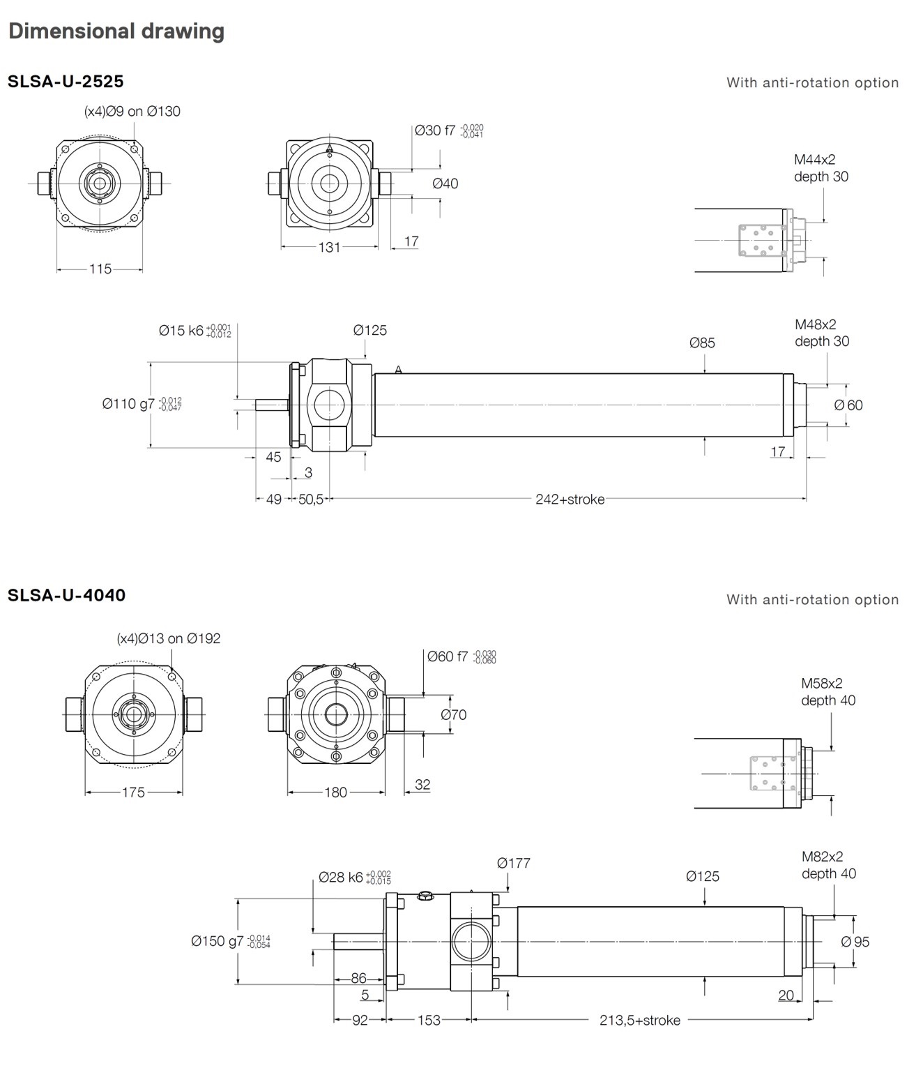
또한 SKF Motion Technologies는 SLSA 버전에 대 리드 볼 스크류를 장착하여, 빠른 속도를 요구하는 고속 애플리케이션을 위한 구성도 되어 있습니다.
● 개요
Model |
SRSA |
SVSA |
SLSA |
Max. dynamic axial force (N) |
500,000 N |
74,600 N |
50,000 N |
Max. linear speed (mm/s) |
1,111 mm/s |
10 mm/s |
1,500 mm/s |
Dynamic load capacity (N) |
572,000 N |
174,000 N |
51,700 N |
Screw type |
Roller screw |
Roller screw |
Ball screw |
Max stroke (mm) |
1,500 mm |
900 mm |
1,200 mm |
Motor type |
No motor or Servo motor |
No motor or Servo motor |
No motor or Servo motor |
Duty cycle (%) |
100 |
100 |
100 |
Operating temperature |
0℃ ~ 40℃ |
0℃ ~ 40℃ |
0℃ ~ 40℃ |
Type of protection |
IP 54 |
IP 54 |
IP 54 |














※ 모터 사양 및 다양한 활용에 따른 구성은 전자카다록을 참고해 주시기 바랍니다.
