- 전기 실린더
- EMA 100
■ 다양한 전력 및 수명 요구사항을 가진 광범위한 어플리케이션
■ 매우 높은 힘에도 최적의 수명
■ 유압 실린더를 대체할 수 있는 높은 수준의 유연성
■ 표준 Stroke Max 2,000mm
■ Ball Screw or Roller Screw의 사양
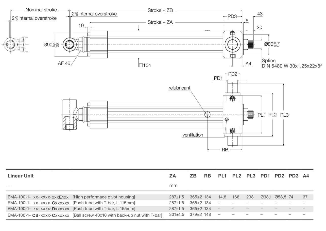
Detail
SKF Motion Technologies는 유압 솔루션을 대체하는 자동화 및 중장비 산업 분야의 대부분의 어플리케이션을 처리 할 수 있는 혁신적인 모듈식 전동실린더 플랫폼을 개발했습니다.
이 새로운 디자인에서는 모듈성이 기본적 구성요소 수준으로 확장되었으며, 각 모듈 내에서 고객은 내부 구성 요소를 선택하여 최상의 성능대비 비용에 따른 맞품형 솔루션을 구축 할 수 있습니다.
공간 및 성능 요구 사항을 충족시키기 위해 SKF Motion Technologies는 AC 및 Sevor motor 뿐만 아니라 인라인 및 병렬 기어 박스를 제공할 수 있습니다.
모듈러 개념은 사용자가 선호하는 모터 및 제어 시스템에 사용자가 쉽게 연결할 수 있는 것으로 설계 및 프로그래밍 비용이 크게 절감됩니다.
● 개요
Max Stroke (mm) |
2,000 mm |
Operating temperature |
-20 ℃(-10 ℃) ~ +50 ℃ |
Type of protection |
IP 54 |
Max. linear speed no load (mm/s) |
890 mm/s |
Max. dynamic axial force (N) |
82,000 N |
Dynamic load capacity (N) |
106,000 N |
Screw type |
Ball screw or Roller screw |
Motor type |
No Motor ( 선택적 Servo motor or AC motor) |
Duty cycle |
100 % |






※ 옵션 사항 및 상세 내용은 전자 카탈로그를 참고해 주시기 바랍니다.



※ 모터 사양 및 다양한 활용에 따른 구성은 전자 카탈로그를 참고해 주시기 바랍니다.
